1. 闪烁灯
1. 实验任务
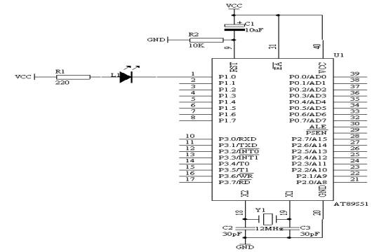
如图4.1.1所示:在P1.0端口上接一个发光二极管L1,使L1在不停地一亮一灭,一亮一灭的时间间隔为0.2秒。
2. 电路原理图
图4.1.1
3. 系统板上硬件连线
把“单片机系统”区域中的P1.0端口用导线连接到“八路发光二极管指示模块”区域中的L1端口上。
4. 程序设计内容
(1). 延时程序的设计方法
作为单片机的指令的执行的时间是很短,数量大微秒级,因此,我们要求的闪烁时间间隔为0.2秒,相对于微秒来说,相差太大,所以我们在执行某一指令时,插入延时程序,来达到我们的要求,但这样的延时程序是如何设计呢?下面具体介绍其原理:
如图4.1.1所示的石英晶体为12MHz,因此,1个机器周期为1微秒
机器周期 微秒
MOV
R6,#20 2个 2
D1: MOV
R7,#248 2个 2 2+2×248=498 20×
DJNZ
R7,$ 2个 2×248 (498
DJNZ R6,D1 2个 2×20=40 10002
因此,上面的延时程序时间为10.002ms。
由以上可知,当R6=10、R7=248时,延时5ms,R6=20、R7=248时,延时10ms,以此为基本的计时单位。如本实验要求0.2秒=200ms,10ms×R5=200ms,则R5=20,延时子程序如下:
DELAY: MOV R5,#20
D1: MOV R6,#20
D2: MOV R7,#248
DJNZ R7,$
DJNZ R6,D2
DJNZ R5,D1
RET
(2). 输出控制
如图1所示,当P1.0端口输出高电平,即P1.0=1时,根据发光二极管的单向导电性可知,这时发光二极管L1熄灭;当P1.0端口输出低电平,即P1.0=0时,发光二极管L1亮;我们可以使用SETB P1.0指令使P1.0端口输出高电平,使用CLR P1.0指令使P1.0端口输出低电平。
5.
程序框图
如图4.1.2所示
图4.1.2
6. 汇编源程序
ORG 0
START: CLR P1.0
LCALL DELAY
SETB P1.0
LCALL DELAY
LJMP START
DELAY: MOV R5,#20 ;延时子程序,延时0.2秒
D1: MOV R6,#20
D2: MOV R7,#248
DJNZ R7,$
DJNZ R6,D2
DJNZ R5,D1
RET
END
7. C语言源程序
#include <AT89X51.H>
sbit L1=P1^0;
void delay02s(void) //延时0.2秒子程序
{
unsigned char i,j,k;
for(i=20;i>0;i--)
for(j=20;j>0;j--)
for(k=248;k>0;k--);
}
void main(void)
{
while(1)
{
L1=0;
delay02s();
L1=1;
delay02s();
}
}