| 注意:访问本站需要Cookie和JavaScript支持!请设置您的浏览器! • 打开购物车 • 查看留言 • 付款方式 • 联系我们 |
![]() |
| 首页 | 电子入门 | 学单片机 | 免费资源 | 下载中心 | 商品列表 | 象棋在线 | 在线绘图 | 加盟五一 | 加入收藏 | 设为首页 |
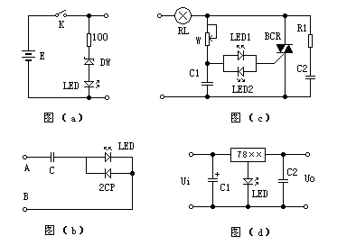
| 选择分类:当前分类——实验基础 相关联或者相类似的文章: 发光二极管的几种特殊用法(1236) 集成电路的检测常识(793) 用万用表判断电容器质量(777) 晶体二极管的主要参数(773) 无线遥控门铃(747) 万用表常见故障及原因(715) 电路中电容的选择(706) 烧坏遥控器给手机充电 专家试解身体静电之谜(692) 几种常用电容器的结构和特点(682) 集成电路的检测方法(679) 晶体二极管的分类(606) 检查大功率双向晶闸管触发能力的方法 (559) 双向晶闸管(TRIAC)(544) 单结晶体管原理(543) 小小电容之大大观(502) 怎样拆卸电路板上的集成电路块(485) 检查晶闸管的触发能力四种方法(425) 省电实用的电话灯(395) 如何鉴别可控硅的三个极(347) 蝙蝠牌电蚊拍故障检修(304) 首页 前页 后页 尾页 本站推荐: | 发光二极管的几种特殊用法 发光二极管是我们经常用到的器件,这里我们介绍几种它的特殊用法,这对于条件有限的业余电子爱好者在电子制作中有时会很有帮助(见附图)。 图(a)是用发光二极管LED监视电池电压的应用电路。电路中稳压管DW的稳压值应选电池额定电压的70%左右。 图(b)是LED用在220V、50Hz市电中,作为电器具工作指示或保险丝熔断指示。 图(c)是将两只LED反向并联,用在移相式可控硅调压电路中代替双向触发二极管。 图(d)是用在固定输出三端稳压电路中用以提升输出电压。并可兼作电源指示。 ![]() 1、 本站不保证以上观点正确,就算是本站原创作品,本站也不保证内容正确。 2、如果您拥有本文版权,并且不想在本站转载,请书面通知本站立即删除并且向您公开道歉! |
|
本站协议 |
版权信息 |
关于我们 |
本站地图 |
营业执照 |
发票说明 |
付款方式 |
联系方式
深圳市宝安区西乡五壹电子商行——粤ICP备16073394号-1;地址:深圳西乡河西四坊183号;邮编:518102 E-mail:51dz$163.com($改为@);Tel:(0755)27947428 工作时间:9:30-12:00和13:30-17:30和18:30-20:30,无人接听时可以再打手机13537585389 |