注意:访问本站需要Cookie和JavaScript支持!请设置您的浏览器! 打开购物车 查看留言付款方式联系我们
初中电子 单片机教材一 单片机教材二
搜索上次看见的商品或文章:
商品名、介绍 文章名、内容
首页 电子入门 学单片机 免费资源 下载中心 商品列表 象棋在线 在线绘图 加盟五一 加入收藏 设为首页
本站推荐:
1. 闪烁灯
文章长度[] 加入时间[2008/5/30] 更新时间[2026/1/31 15:22:39] 级别[0] [评论] [收藏]
 
1.  实验任务
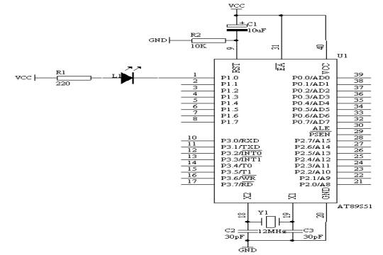
如图4.1.1所示:在P1.0端口上接一个发光二极管L1,使L1在不停地一亮一灭,一亮一灭的时间间隔为0.2秒。
2.  电路原理图
图4.1.1
3.  系统板上硬件连线
把“单片机系统”区域中的P1.0端口用导线连接到“八路发光二极管指示模块”区域中的L1端口上。
4.  程序设计内容
(1).    延时程序的设计方法
作为单片机的指令的执行的时间是很短,数量大微秒级,因此,我们要求的闪烁时间间隔为0.2秒,相对于微秒来说,相差太大,所以我们在执行某一指令时,插入延时程序,来达到我们的要求,但这样的延时程序是如何设计呢?下面具体介绍其原理:
如图4.1.1所示的石英晶体为12MHz,因此,1个机器周期为1微  
MOV R6,#20                2个         2
D1:         MOV R7,#248                     2个         2       2+2×248=498 20×
              DJNZ R7,$                   2个         2×248             (498
              DJNZ R6,D1                2个   2×20=40           10002
因此,上面的延时程序时间为10.002ms。
由以上可知,当R6=10、R7=248时,延时5ms,R6=20、R7=248时,延时10ms,以此为基本的计时单位。如本实验要求0.2秒=200ms,10ms×R5=200ms,则R5=20,延时子程序如下:
DELAY:          MOV R5,#20
D1:             MOV R6,#20
D2:             MOV R7,#248
                DJNZ R7,$
                DJNZ R6,D2
                DJNZ R5,D1
             RET
(2).            输出控制
如图1所示,当P1.0端口输出高电平,即P1.0=1时,根据发光二极管的单向导电性可知,这时发光二极管L1熄灭;当P1.0端口输出低电平,即P1.0=0时,发光二极管L1亮;我们可以使用SETB P1.0指令使P1.0端口输出高电平,使用CLR P1.0指令使P1.0端口输出低电平。
5.                       程序框图
          如图4.1.2所示
                 图4.1.2
 
 
6.                       汇编源程序
                            ORG 0
START:               CLR P1.0
                            LCALL DELAY
                            SETB P1.0
                            LCALL DELAY
                            LJMP START
DELAY:              MOV R5,#20                        ;延时子程序,延时0.2秒
D1:                      MOV R6,#20
D2:                      MOV R7,#248
                            DJNZ R7,$
                            DJNZ R6,D2
                            DJNZ R5,D1
                            RET
                            END
7.                       C语言源程序
#include <AT89X51.H>
sbit L1=P1^0;
void delay02s(void)               //延时0.2秒子程序
{
  unsigned char i,j,k;
  for(i=20;i>0;i--)
  for(j=20;j>0;j--)
  for(k=248;k>0;k--);
}  
void main(void)
{
  while(1)
    {
      L1=0;
      delay02s();
      L1=1;
      delay02s();
    }
}
1、 本站不保证以上观点正确,就算是本站原创作品,本站也不保证内容正确。
2、如果您拥有本文版权,并且不想在本站转载,请书面通知本站立即删除并且向您公开道歉! 以上可能是本站收集或者转载的文章,本站可能没有文章中的元件或产品,如果您需要类似的商品请 点这里查看商品列表!
本站协议 | 版权信息 |  关于我们 |  本站地图 |  营业执照 |  发票说明 |  付款方式 |  联系方式
深圳市宝安区西乡五壹电子商行——粤ICP备16073394号-1;地址:深圳西乡河西四坊183号;邮编:518102
E-mail:51dz$163.com($改为@);Tel:(0755)27947428
工作时间:9:30-12:00和13:30-17:30和18:30-20:30,无人接听时可以再打手机13537585389