选择分类:当前分类——当前分类
本站推荐:
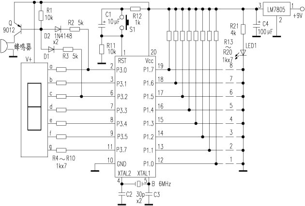
用89C2051制作八路断线数显报警器
文章长度[919] 加入时间[2006/7/1] 更新时间[2026/2/5 21:37:08] 级别[3] [评论] [收藏]


2003年,第8期,类别:智能电子


    本电路具有八路断线数显指示和声音报警功能,电路结构简单、程序容易编写,初学者很容易制作。
    一、电路结构
    电路如附图所示。89C2051的P3口驱动LED共阳数码管;P3.0和P3.2口接由电阻和二极管构成的与门,部分显示信号经与门送三极管Q的基极,有显示信号输出时,三极管导通,蜂鸣器发报警声。89C2051的P1口除P1.0和P1.1片内没有提供上拉电阻以外,其余均有上拉电阻,因此P1口作输入时,可以外接8只上拉电阻,也可以在P1.0、P1.1口各接一只上拉电阻,然后从电源负极引一根公用线,输入口的8根线分别接在公用线上,使8个输入端均为低电位。
    二、工作原理
    接通电源,LED发光,指示电源已打开。89C2051上电复位后,依次检测P1.0~P1.7是否为高电位,即判断是否有断线。一旦检测到某输入口为高电位,就从P3口输出相应的闪动字符信号,数码管每隔一秒显示一次字符。例如:第1路断线,那么P1.0为高电位,经检测判断,从P3口输出闪动“1”的信号,数码管每隔一秒显示一次1,蜂鸣器每隔一秒报警一次。如果出现多路断线的情况,P3口依次输出相对应的几路的闪动字符信号,由数码管每隔一秒显示一个字符,依次显示,报警声每隔一秒响一次,值班人员很快就能知道哪里有断电发生,并及时去处理。

                                      云南  张跃



1、 本站不保证以上观点正确,就算是本站原创作品,本站也不保证内容正确。
2、如果您拥有本文版权,并且不想在本站转载,请书面通知本站立即删除并且向您公开道歉! 以上可能是本站收集或者转载的文章,本站可能没有文章中的元件或产品,如果您需要类似的商品请 点这里查看商品列表!